Four Row Cylindrical Roller Bearing 80FC52250W 80FC56360 4CR400 80FC56410 80FC60380
|
Designations |
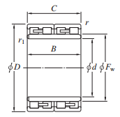
Boundary Dimensions |
Basic Load |
Mass(kg) |
|||
|
d |
D |
B |
C |
C0r |
Refer. |
|
|
80FC52250W |
400 |
520 |
250 |
3650 |
7050 |
133 |
|
400 |
560 |
360 |
6980 |
13400 |
277 |
|
|
400 |
560 |
410 |
7930 |
15800 |
310 |
|
|
400 |
560 |
410 |
8100 |
16300 |
315 |
|
|
400 |
600 |
380 |
8310 |
14300 |
388 |
|
|
81FC6130W |
406.4 |
609.6 |
304.8 |
5500 |
8750 |
307 |
|
82FC55400 |
410 |
546 |
400 |
6260 |
13000 |
256 |
|
82FC60440 |
410 |
600 |
440 |
10100 |
18800 |
432 |
|
84FC60410A |
418.5 |
600 |
410 |
8300 |
15700 |
385 |
|
84FC59350 |
419 |
592 |
350 |
7120 |
12900 |
304 |
|
84FC56280 |
420 |
560 |
280 |
4900 |
9410 |
189 |
|
84FC56400 |
420 |
560 |
400 |
6080 |
12700 |
270 |
|
84FC58320 |
420 |
580 |
320 |
5960 |
11000 |
249 |
|
4CR420A |
420 |
600 |
440 |
9080 |
17700 |
420 |
|
86FC59420 |
430 |
591 |
420 |
8200 |
16800 |
345 |
|
86FC59420-2 |
430 |
591 |
420 |
8150 |
17400 |
349 |
|
86FC59420A-1 |
430 |
591 |
420 |
7390 |
14700 |
340 |
|
86FC60450 |
430 |
600 |
450 |
9350 |
19300 |
405 |
|
88FC59270W |
440 |
590 |
270 |
4530 |
8460 |
207 |
|
4CR440 |
440 |
620 |
450 |
9900 |
20000 |
440 |
|
88FC62450AW |
440 |
620 |
450 |
9900 |
20000 |
440 |
|
88FC64420 |
440 |
640 |
420 |
9810 |
18400 |
470 |
|
88FC72452 |
440 |
720 |
452 |
10800 |
16600 |
740 |
|
89FC66324 |
444.5 |
660.4 |
323.85 |
7590 |
12600 |
400 |
For more information , please contact our email : info@cf-bearing.com





