High Temperature Self Aligning Ball Bearing 1307 1308
|
Designations |
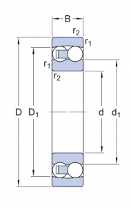
Boundary Dimensions |
Basic Load Ratings |
Mass (kg) |
||
|
d |
D |
B |
C0 |
Refer. |
|
|
1307 |
35 |
80 |
21 |
26.5 |
0.497 |
|
1308 |
40 |
90 |
23 |
33.8 |
0.68 |
For more information , please contact our email : info@cf-bearing.com





