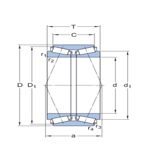
Double row tapered roller bearing LM377449/ 10CD LL686947/ 10D BT2B 332780/ HA5
Introduction
1. High load capacity: Double row tapered roller bearings can withstand radial and axial loads, making their load-bearing capacity much larger than single row tapered roller bearings.
2. Good rigidity: The contact angle between the inner and outer rings of double row tapered roller bearings and the rollers is greater, so its rigidity is better than that of single row tapered roller bearings.
3. High speed: Due to its design characteristics and rolling method, double row tapered roller bearings can withstand higher speeds.
4. Strong adaptability: Double row tapered roller bearings can adapt to various working conditions, such as high temperature, low temperature, high pressure, low pressure, etc.
5. Long service life: Double row tapered roller bearings are made of high-quality materials and finely processed technology, giving them a longer service life.
6. Easy operation: The installation, disassembly, and maintenance of double row tapered roller bearings are relatively simple, which can greatly reduce the difficulty of operation and installation.
Double Row Tapered Roller Bearing
|
Designations |
Boundary Dimensions |
Basic Load Ratings |
Mass(kg) |
|||
|
d |
D |
B |
Cr |
Cor |
Refer. |
|
|
LM377449/ 10CD |
558.8 |
736.6 |
177.8 |
4400 |
12800 |
256 |
|
LL686947/ 10D |
914.4 |
1 066.8 |
101.6 |
2600 |
8000 |
180 |
|
BT2B 332780/ HA5 |
1 160 |
1 540 |
290 |
14200 |
39800 |
1896 |
For more information , please contact our email : info@cf-bearing.com




