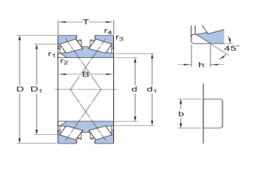
Double row tapered roller bearing M268748D/10 M270749D/10 M274149D/10
| Designations | Boundary Dimensions (mm) |
Basic Load Ratings (kN) |
Mass(kg) | |||
| d | D | B | Cr | Cor | Refer. | |
| M268748D/ 10 | 415.925 | 590.55 | 209.55 | 4500 | 9600 | 195 |
| M270749D/ 10 | 447.675 | 635 | 223.838 | 4400 | 10900 | 232 |
| M274149D/ 10 | 501.65 | 711.2 | 250.825 | 5500 | 13400 | 326 |




