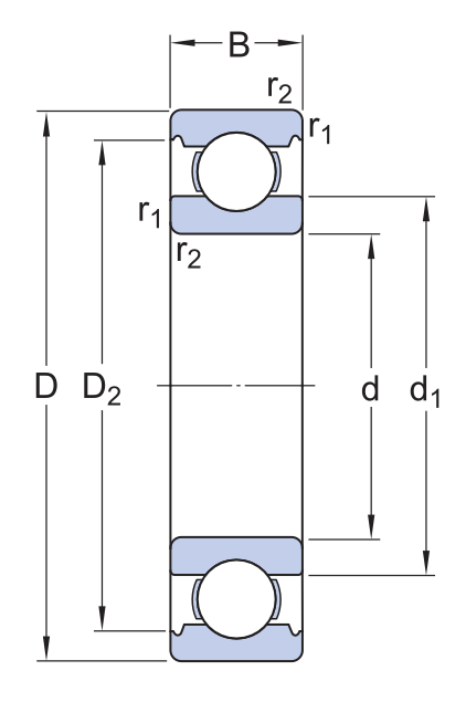
High Temperature Deep Groove Ball Bearings 6003-2Z/VA201 6005-2Z/VA201 6006-2Z/VA208
|
Designations |
Boundary Dimensions |
Basic Load Ratings |
Mass(kg) |
Maximum operating temperature (°C) |
||
|
d |
D |
B |
C0 |
Refer. |
||
|
6003-2Z/VA201 |
17 |
35 |
10 |
3.25 |
0.04 |
250 |
|
6005-2Z/VA201 |
25 |
47 |
12 |
6.55 |
0.077 |
350 |
|
6006-2Z/VA208 |
30 |
55 |
13 |
8.3 |
0.118 |
350 |
For more information , please contact our email : info@cf-bearing.com





